KONTAKT

CAD Exact - Andreas Drexler Kornblumenweg 2, 29386 Hankensbüttel Info@cad-exact.de, 05832 - 979 444 2 © 2024 by CAD Exact

AKTUELLE PROJEKTE

Vorentwurf Gastro-Park „ATRIUM“, Hankensbüttel

dfdh fdfbf flofo lonfuf gigfh djdjd dfdh fdfbf  dfdh fdfbf flofo  dfdh fdfbf flof ssff  fo  sui  dfdh fdfbf flofo  dfdh fdfbf flofo  dfdh fdfbf flofo

Bitte stellen Sie den Ton an.

Wohnbebauung in Magdeburg

Artikel im „Isenhagener Kreisblatt“ erschienen, Print- und Onlineausgabe.

Zur Onlineausgabe einfach auf das unten stehende Bild klicken.

Neubau einer Reihenhausanlage mit 5 Häusern in Hankensbüttel,

Baugebiet Lehmkuhlenweg III

WOHNZIMMER / ESSEN / KOCHEN

GRUNDRISSE

Grundriss Obergeschoss Grundriss Erdgeschoss Grundriss Obergeschoss

GRUNDRISS EG

GRUNDRISS OG

Neubau einer Photovoltaik Freiflächenanlage in Sachsen-Anhalt

Beauftragt: Visualisierungen und Computeranimation mit Sonnenstandssimulation über das Jahr.
Beauftragt: - Visualisierungen (Grundrisse, Fassaden) - Ausführungszeichnungen
Beauftragt: - Visualisierungen (Grundrisse, Fassaden) - Ausführungszeichnungen

Geschoßwohnungsbau in Niedersachsen

01/24

02/24

01/24

09/23

09/23

03/24

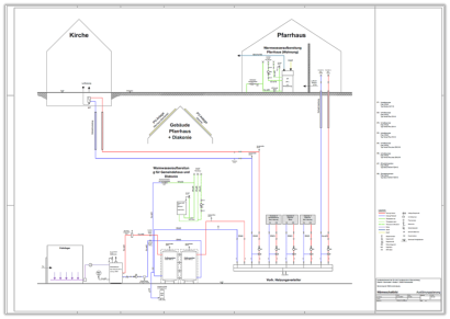
Umbau Heizung für sakrale Bauten: Ausführungsplanung Wärmeschaltbild

Neubau eines Schlammpolders

Umbau Heizung

07/24

Bauantragsplanung Ausführungsplanung

Umbau und Sanierung eines Wohnhauses und Neubau eines

Nebengebäudes

11/24

Bauantragszeichnungen, Visualisierungen

Neubau von 48 Eigentumswohnungen in Wernigerode

01/25

Entwurfszeichnungen, Visualisierungen

Neubau von Eigentumswohnungen in Hofheim am Taunus

04/25

Ausführungszeichnungen, Visualisierungen
Bestes Regenwetter :-)

KONTAKT

CAD Exact - Andreas Drexler Kornblumenweg 2, 29386 Hankensbüttel Info@cad-exact.de, 05832 - 979 444 2 © 2024 by CAD Exact

AKTUELLE PROJEKTE

Vorentwurf Gastro-Park „ATRIUM“, Hankensbüttel

dfdh fdfbf flofo lonfuf gigfh djdjd dfdh fdfbf  dfdh fdfbf flofo  dfdh fdfbf flof ssff  fo  sui  dfdh fdfbf flofo  dfdh fdfbf flofo  dfdh fdfbf flofo

Bitte stellen Sie den Ton an.

Wohnbebauung in Magdeburg

Beauftragt: - Visualisierungen (Grundrisse, Fassaden) - Ausführungszeichnungen

Print- und Onlineausgabe.

Zur Onlineausgabe einfach auf das unten stehende Bild klicken.

Artikel im „Isenhagener Kreisblatt“ erschienen,

Neubau einer Reihenhausanlage mit 5 Häusern in Hankensbüttel, Baugebiet Lehmkuhlenweg III

JE REIHENHAUS CIRCA 113M² WOHNFLÄCHE, ZUZÜGLICH TERRASSE

JEDES GRUNDSTÜCK IST VON AUSSEN ZUGÄNGLICH!

FÜR WEITERE INFORMATIONEN KÖNNEN SIE GERN KONTAKT AUFNEHMEN!

WOHNZIMMER / ESSEN / KOCHEN

Grundriss Erdgeschoss Grundriss Obergeschoss

GRUNDRISS EG

GRUNDRISS OG

Neubau einer Photovoltaik Freiflächenanlage in Sachsen-Anhalt

Beauftragt: Visualisierungen und Computeranimation mit Sonnenstandssimulation über das Jahr.

Geschoßwohnungsbau in Niedersachsen

Beauftragt: - Visualisierungen (Grundrisse, Fassaden) - Ausführungszeichnungen

01/24

02/24

01/24

09/23

09/23

Neubau eines Schlammpolders

Umbau Heizung für sakrale Bauten: Ausführungsplanung Wärmeschaltbild

Umbau Heizung

Bauantragsplanung Ausführungsplanung

03/24

07/24

Umbau und Sanierung eines Wohnhauses und Neubau eines

Nebengebäudes

11/24

Bauantragszeichnungen, Visualisierungen

Neubau von 48 Eigentumswohnungen in Wernigerode

01/25

Entwurfszeichnungen, Visualisierungen

Neubau von Eigentumswohnungen in Hofheim am Taunus

04/25

Ausführungszeichnungen, Visualisierungen
Bestes Regenwetter :-)

Service für den Bau…

Service für den Bau…